服務熱線:15195518515在線客服:1464856260
傳真號碼:0517-86801009
郵箱號碼:1464856260@qq.com
網 址:http://m.chinaztgs.com
地 址:江蘇省金湖縣理士大道61號
液位變送器用途
廣泛用于石油、海洋、水庫、河流、化工、冶金、電力、科研等企事業單位。
液位變送器特點
1.使用被測介質廣泛,可測油、水及與316不銹鋼兼容的糊狀物,具有一定的防腐能力。
2.直接投入式結構,安裝、使用方便,可適應很小的安裝空間。
3.準確度高,穩定性好。除進口原裝器已用激光修正外,還對整機在使用溫度范圍內的綜合性溫度漂移、非線性進行精細地補償,因此在使用溫度范圍內非線性小,溫度穩定性好。
4.體積小,重量輕,一般無需安裝支架。無可動部件,零點、量程外部連續可調。
5.4~20mA DC標準電流信號輸出,二線制工作。
6.壓力傳感器直接感測被測液位壓力,不受介質起泡、沉積的影響。
液位變送器技術指標
適用介質:與316不銹鋼兼容的液體及半糊狀物。
量程:0~1~210M
準確度:0.25%F·S 0.5%F·S
過載能力:額定量程的3倍
零點溫度系數:小于0.02%/℃
滿程溫度系數:小于0.02%/℃
電源電壓:24V DC
使用溫度:-20℃~70℃
保存溫度:-40℃~100℃
輸出信號:兩線制4~20mA DC
結構材料:隔離膜片:316不銹鋼波紋膜片;傳感器外殼:1Grl8Ni9Ti不銹鋼
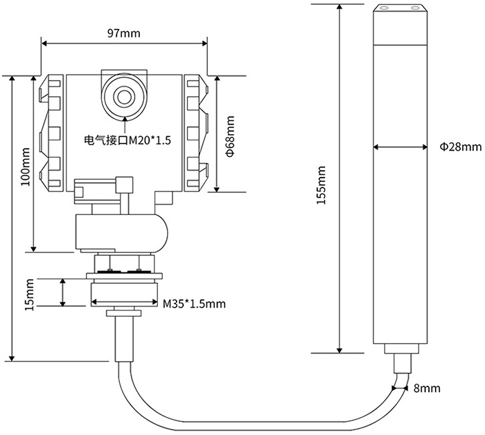
電纜:φ8聚氯乙烯六芯空心電纜
中繼箱:97×84×147環氧樹脂噴涂
過程連接:投入式:直角支架孔距50×50mm,孔徑φ5mm;直桿式:無螺紋或螺紋自選。螺紋式:M27×2、M20×1.5或螺紋自選;法蘭式:DN25或用戶自選。防腐式:直角支架孔距50×50mm,孔距φ5mm。
液位變送器工作原理
當被測介質(液體)的壓力作用于傳感器時,壓力傳感器將壓力信號轉換成電信號。經歸一化差分放大和輸出放大器放大,*后經V/A電壓電流轉換器轉換成與被測介質(液體)的液位壓力成線性對應關系的4~20mA標準電流輸出信號。
液位變送器選型表
液位變送器安裝與接線
1.安裝
(1)一般要求:當測量一般介質時(如:水、輕質油),應使用節流型。當測量粘稠、易阻塞、易結晶介質時,應選用防阻塞型。
①變送器所配電纜長度,除用戶特殊說明外,一般比測量范圍長2m。
②變送器直接投入到容器中,即可正常工作。
(2)外形尺寸
2.接線方式
變送器的端子位于中繼箱內,電纜線從中繼箱的引線口接入。中間兩端子為24V DC輸入端,兩邊的兩端子為顯示表頭接線端子。
零點和量程調正:零點和量程調正電位器位于中繼箱內。校正時打開中繼箱蓋,即可進行調正,左邊的(Z)是調零點電位器,右邊的(R)是調量程電位器。
液位變送器安裝使用注意事項
1.搬運和安裝變送器時應小心謹慎,避免元器件的移動和損壞,影響電路的性能。
2.變送器的本安導線不得與高壓電纜線一起敷設,導線長度應盡量縮短,導線的分布電感、分布電容及變送器的有效電感、有效電容之和,不得超過安全柵規定的額定值。
3.變送器設有接地螺釘,接地導線必須牢固,且接地電阻不大于2Ω。
4.維修時應切斷本安電路的電源,在非危險區進行檢修。
5.維修人員不得隨意更換電氣元件的規格、型號,有質量問題應立即與廠家聯系。
6.檢定周期,一般不超過三個月。用戶可根據實際需要自定檢定周期。






















|